Description
Fermeture pratique à bouton-poussoir (pêne poussoir) pour une épaisseur de porte de 18 mm (45/64 ») – 21 mm (53/64 »), en polyamide robuste (PA, nylon), surface : ivoire, SL-B211-I
Application:
Push-Latch pour la conversion de camping-car, l’intérieur d’un yacht, le mobilier de caravane et bien plus encore.
La fermeture à bouton-poussoir SL-B211-I est dotée d’un bouton-poussoir avec un loquet coulissant robuste.

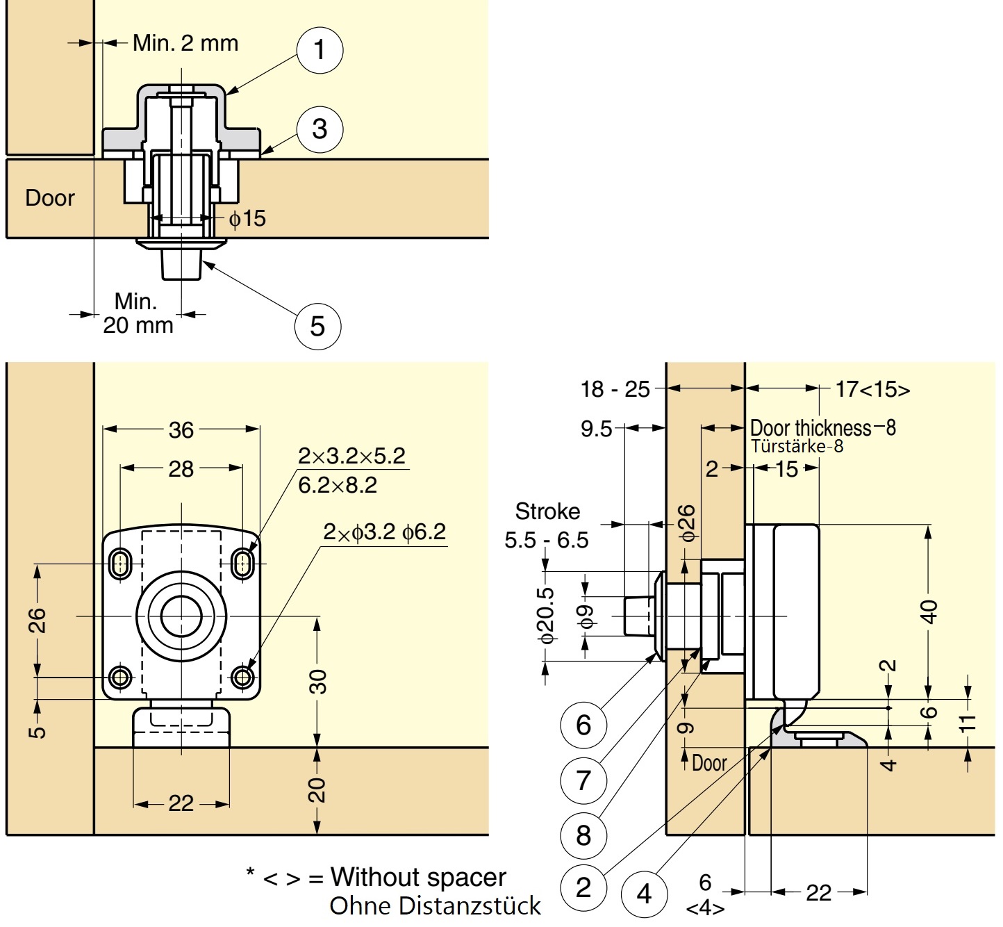
Sa conception compacte ne nécessite qu’un alésage de 15 mm et dépasse à peine, ce qui permet une conception frontale simple.
Le mécanisme à ressort intégré maintient la porte bien fermée avec environ 16 kgf – même en cas de vibrations dans les véhicules ou les navires.
Une bague d’espacement permet de s’adapter à des épaisseurs de porte de 18 à 21 mm et assure un ajustement sans jeu.

Le boîtier en polyamide résistant à l’usure est léger, résistant à la corrosion et imperméable à l’humidité.
Les fermetures à bouton-poussoir de haute qualité 140-060-010 sont parfaites, entre autres pour :
- Agencement de magasins
- Mobilier de salon
- Portes de meubles
- Travailler
- Portes
- Meubles légers
- Unités murales de cuisine
- Conversion de camping-car
- Intérieur du yacht
- Mobilier de caravane
Détails techniques :
- Poids : 23,5 g
- Capacité de charge (capacité de charge) : 156,8 N (16 kp)
- Taille : 26 mm (1-1/32″)
- Disponible dans les couleurs : ivoire et marron
- Disponible pour les portes normales (18-21 mm) et pour les portes épaisses (22-25 mm)
- Installation facile, pratique, stable
- Maintient les portes bien fermées grâce à la force du ressort
- Ouverture silencieuse sur simple pression d’un bouton
- Adaptation facile aux différentes épaisseurs de porte
- Polyamide résistant à la corrosion et aux chocs
- Profondeur d’installation compacte, idéale pour les façades minces
- Force de maintien élevée d’environ 16 kgf
- Convient pour les meubles, les véhicules et la marine
- Faible poids
- Ivoire
- Robuste (résistant à l’abrasion, résilient, résistant à de nombreux produits chimiques, résistant à la chaleur)
- haute qualité de marque de Sugatsune / LAMP®
surface :
- Ivoire
- Les finitions ivoire créent une atmosphère chaleureuse et accueillante, à la fois discrète et élégante, idéale pour les salons et les chambres à coucher
- De plus, l’ivoire peut être bien combiné avec d’autres couleurs et matériaux, ce qui le rend polyvalent et complète harmonieusement différents styles d’ameublement
Montage :
- La fixation s’effectue à l’aide des six vis incluses dans la livraison (vis Pan-Head pour panneaux de particules 3 x 14 mm)
- Tout d’abord, un trou principal d’un diamètre de ⌀15 mm (19/32″) doit être réalisé
- Ensuite, un contre-trou d’un diamètre de 26 mm (1-1/32″) et d’une profondeur = épaisseur de la porte − 8 mm doit être fait à l’intérieur de la porte
- Ensuite, le bouton-poussoir est fixé au trou avec l’écrou
- Le corps du boulon est vissé dans les trous pré-étirés à l’aide de quatre vis pour panneaux d’aggloméré de 3 x 14 mm, la bague d’écartement étant insérée en fonction de l’épaisseur de la porte
- La contre-plaque est ensuite alignée sur la face avant du corps et vissée de manière à ce que le boulon s’enclenche proprement
- Enfin, la fonction de fermeture est vérifiée et, si nécessaire, affinée via les trous oblongs (pour plus de détails, voir le dessin de montage)

Les dimensions :
- Longueur de la fermeture à bouton-poussoir : 40 mm (1-37/64″)
- Largeur : 36 mm (1-27/64″)
- Profondeur : 15 mm (19/32 »)
- Diamètre du bouton-pression : ⌀20,5 mm (13/16″)

Pour plus de dimensions et de détails, voir le dessin technique.
Matériel:
- Les fermetures à bouton-poussoir 140-060-010 sont fabriquées en polyamide robuste (PA, nylon)
- Le polyamide est idéal pour la quincaillerie d’ameublement et la quincaillerie industrielle car il est robuste, résistant à la corrosion, insonorisant et glissant, ce qui permet une quincaillerie durable et facilement déplaçable.
Inclus dans la livraison :
- Fermeture à bouton-poussoir 140-060-010 en polyamide robuste, ivoire
- 1 morceau de gâche
- 1 pièce bague d’espacement
- 1 bouton poussoir
- 6 vis pan-tête pour panneaux de particules 3 x 14 mm
Informations complémentaires:
Numéros d’article du fabricant :
- ID de l’article : 140-060-010
- Réf produit : SL-B211-I
- Numéro EAN : 4510932059534
Fabricant : Sugatsune / LAMP® (Japon)











